These low density polyethylene plugs are designed to protect female-threaded electrical connectors from moisture, dirt and dust. The flanged style offers easy removal for a variety of applications.
Materials
Standard material is low density polyethylene.
Features
- Flanged for easy removal.
- Low cost
Standard Colors
Standard is Yellow. Other colors available upon request.

Electrical Connector Plugs
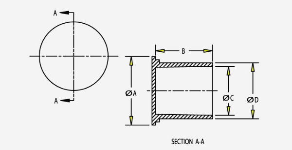
| Part Name | Outside Diameter “D” (in) | Inside Length “B” (in) | Flange Diameter “A” (in) | Inside Diameter “C” (in) |
|---|---|---|---|---|
| PE-5 | 0.483 | 0.625 | 0.670 | 0.413 |
| PE-10 | 0.595 | 0.625 | 0.750 | 0.530 |
| PE-15 | 0.715 | 0.625 | 0.860 | 0.655 |
| PE-20 | 0.845 | 0.625 | 1.031 | 0.785 |
| PE-25 | 0.963 | 0.625 | 1.125 | 0.893 |
| PE-30 | 1.088 | 0.625 | 1.250 | 1.028 |
| PE-35 | 1.215 | 0.625 | 1.406 | 1.150 |
| PE-40 | 1.340 | 0.625 | 1.500 | 1.270 |
| PE-45 | 1.460 | 0.625 | 1.640 | 1.390 |